Главная / Подшипники / Роликовые радиальные цилиндрические подшипники / Однорядные, кроме опорных роликов и приставных колец / 315824
Подшипники SKF 315824
Производитель:
SKF
Каталожный номер (OEM):
315824
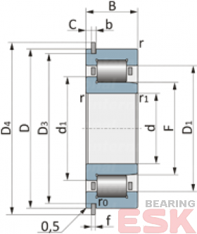
| d(внутренний диаметр): 45 мм | d1: 64 мм |
| D(наружный диаметр): 100 мм | Масса: 0.957 кг |
| B(высота): 25 мм |
Остались вопросы?
Напишите нам и мы с радостью вам поможем